Сначала дешевые
#PROP_TITLE#
:
#PROP_VALUE#
1 420 ₽
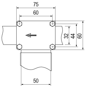
Арт. R5BBMS12054P
1 529 ₽
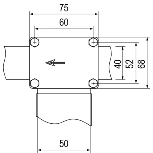
Арт. R5BBMS12103P
1 579 ₽
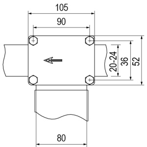
Арт. R5BBMS23053P
